TMGG40LJの最安値購入法と交換する前の図面のチェック法
TOTO TMGG40LJ 浴室サーモスタット水栓
TOTO TMGG40LJは、TOTO浴室サーモスタット水栓の中で
吐水パイプが220ミリとロングタイプとなるモデルです。
シャワーはワンダービートシャワーとなり、TOTO独自の
特許技術をいかした節水性の高さと機能性を両立させた
シャワーとなっています。
TMGG40LJのシャワー機能は?節水効果などのシャワーの特徴は?
シャワーヘッド: 白色 ワンダービートシャワー


節水効果:従来のシャワーより35%の節水効果
ワンランク上の使い心地を求めている方に最適なシャワーです
TMGG40LJより、さらに吐水パイプが長いタイプをご希望の方へ
TMGG40LJには、吐水パイプが300ミリの超ロングタイプがあります。
吐水パイプの長さが220ミリで足りない場合は
300ミリの吐水パイプとなる、TMGG40LLEをお選びください。
※ ただし、シャワーヘッドはTMGG40LEと同じエアインシャワーとなります。
TKGG40LJの吐水パイプが一般的な長さのものをお探しの方へ
TMGG40LJの吐水パイプは220ミリのロングタイプですが
本来の一般的なモデルは、吐水パイプが170ミリとなります。
シャワーヘッドの組み合わせも170ミリの一般モデルの方が
種類も多彩ですので、吐水パイプが170ミリで足りる場合は
こちらをお求めください。
※ シャワーヘッドは、TMGG40LJと同じ仕様のものとなります。
TMGG40LJの類似品番は?上位モデルや別モデルの仕様は?
TOTOサーモスタット混合水栓には、タッチスイッチや定量止水もある
【TMGG40LJのライバルは?他社製のサーモスタット水栓も紹介】
TOTO TMGG40LJには、同性能の他社製水栓があります。
ここでは、TOTOのサーモスタット混合水栓のライバル機種として
INAXとKVKの水栓を紹介します。
価格や在庫状況、機能やデザインなどの比較をした上で
納得できる水栓を、お選びください。
INAX BF-HB145TSD(250)
BF-HB145TSD(250)の購入方法と
現在の価格ランキングと最安値のチェックは、こちら
>>【楽天市場】BF-HB145TSD(250) 現在の価格相場
>>【Amazon】BF-HB145TSD(250) 現在の価格相場
KVK KF800TR2

現在の価格ランキングと最安値のチェックは、こちら
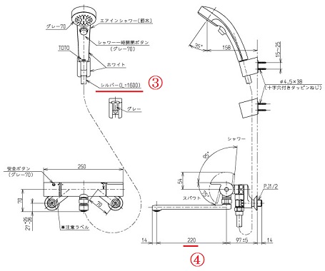
TKGG40LJの図面の見方・注意点は?その4箇所とは?
TKGG40LJ 図面の注目する箇所と正しい見方


図面の注意点4箇所と説明
1. 配管の間隔(ピッチ・芯々)
2. 水栓本体側の湯・水のナットの間隔(ピッチ・芯々)
3. シャワーホースの長さ 1600ミリ
4. 吐水パイプの長さ
TMGG40LEWの最安値購入法と交換する前の図面のチェック法
TOTO TMGG40LEW 浴室サーモスタット水栓
TOTO TMGG40LEWは、TOTO浴室サーモスタット水栓の中で
吐水パイプが220ミリとロングタイプとなるモデルです。
シャワーはエアインクリックシャワーとなり、一般モデルの
エアインシャワーより、さらに高い節水効果を実現しています。
ベーシックなモデルですが、高い機能性を有する
TOTO浴室サーモスタット水栓です。
TMGG40LEWのシャワー機能は?節水効果などのシャワーの特徴は?
シャワーヘッド: 白色 エアインクリックシャワー


節水効果:従来のシャワーより35%の節水効果
ワンランク上の節水効果をお求めの方に最適なシャワーです
TMGG40LEWより、さらに吐水パイプが長いタイプをご希望の方へ
TMGG40LEWには、吐水パイプが300ミリの超ロングタイプがあります。
吐水パイプの長さが220ミリで足りない場合は
300ミリの吐水パイプとなる、TMGG40LLEをお選びください。
※ ただし、シャワーヘッドはTMGG40LEと同じエアインシャワーとなります。
TKGG40LEWの吐水パイプが一般的な長さのものをお探しの方へ
TMGG40LEWの吐水パイプは220ミリのロングタイプですが
本来の一般的なモデルは、吐水パイプが170ミリとなります。
シャワーヘッドの組み合わせも170ミリの一般モデルの方が
種類も多彩ですので、吐水パイプが170ミリで足りる場合は
こちらをお求めください。
※ シャワーヘッドは、TMGG40LEWと同じ仕様のものとなります。
TMGG40LEWの類似品番は?上位モデルや別モデルの仕様は?
TOTOサーモスタット混合水栓には、タッチスイッチや定量止水もある
【TMGG40LEWのライバルは?他社製のサーモスタット水栓も紹介】
TOTO TMGG40LEWには、同性能の他社製水栓があります。
ここでは、TOTOのサーモスタット混合水栓のライバル機種として
INAXとKVKの水栓を紹介します。
価格や在庫状況、機能やデザインなどの比較をした上で
納得できる水栓を、お選びください。
INAX BF-HB145TSD(250)
BF-HB145TSD(250)の購入方法と
現在の価格ランキングと最安値のチェックは、こちら
>>【楽天市場】BF-HB145TSD(250) 現在の価格相場
>>【Amazon】BF-HB145TSD(250) 現在の価格相場
KVK KF800TR2

現在の価格ランキングと最安値のチェックは、こちら
TKGG40LEWの図面の見方・注意点は?その4箇所とは?
TKGG40LEW 図面の注目する箇所と正しい見方


図面の注意点4箇所と説明
1. 配管の間隔(ピッチ・芯々)
2. 水栓本体側の湯・水のナットの間隔(ピッチ・芯々)
3. シャワーホースの長さ 1600ミリ
4. 吐水パイプの長さ
TMGG40LEの最安値購入法と交換する前の図面のチェック法
TOTO TMGG40LE 浴室サーモスタット水栓
TOTO TMGG40LEは、TOTO浴室サーモスタット水栓の中で
吐水パイプが220ミリとロングタイプとなります。
シャワーはエアインシャワーとなり、節水効果を高めながらも
快適なシャワーが吐水される爽快な使い心地を実現。
シャワーの機能はベーシックなモデルですが、高い機能性を有する
TOTO浴室サーモスタット水栓です。
TMGG40LEのシャワー機能は?節水効果などのシャワーの特徴は?
シャワーヘッド: 白色 エアインシャワー


節水効果:従来のシャワーより35%の節水効果
浴槽への湯張りもできる吐水パイプ220ミリの洗い場兼用水栓
TMGG40LEより、さらに吐水パイプが長いタイプをご希望の方へ
TMGG40LEには、吐水パイプが300ミリの超ロングタイプがあります。
吐水パイプの長さが220ミリで足りない場合は
300ミリの吐水パイプとなる、TMGG40LLEをお選びください。
※ シャワーヘッドは、TMGG40LEと同じ仕様のものとなります。
TKGG40LEの吐水パイプが一般的な長さのものをお探しの方へ
TMGG40LEの吐水パイプは220ミリのロングタイプですが
本来の一般的なモデルは、吐水パイプが170ミリとなります。
シャワーヘッドの組み合わせも170ミリの一般モデルの方が
種類も多彩ですので、吐水パイプが170ミリで足りる場合は
こちらをお求めください。
※ シャワーヘッドは、TMGG40LEと同じ仕様のものとなります。
TMGG40LEの類似品番は?上位モデルや別モデルの仕様は?
TOTOサーモスタット混合水栓には、タッチスイッチや定量止水もある
【TMGG40LEのライバルは?他社製のサーモスタット水栓も紹介】
TOTO TMGG40LEには、同性能の他社製水栓があります。
ここでは、TOTOのサーモスタット混合水栓のライバル機種として
INAXとKVKの水栓を紹介します。
機能やデザイン、価格などの比較をした上で納得できる水栓を
お選びください。
INAX BF-HB145TSD(250)
BF-HB145TSD(250)の購入方法と
現在の価格ランキングと最安値のチェックは、こちら
>>【楽天市場】BF-HB145TSD(250) 現在の価格相場
>>【Amazon】BF-HB145TSD(250) 現在の価格相場
KVK KF800TR2

現在の価格ランキングと最安値のチェックは、こちら
TKGG40LEの図面の見方・注意点は?その4箇所とは?
TKGG40LE 図面の注目する箇所と正しい見方


















