TMGG40QJの最安値購入方法と交換する前の図面のチェック法
TOTO TMGG40QJ 浴室サーモスタット水栓
TOTO TMGG40QJは、大きめのアーチハンドルが
特徴的なデザインとなる水栓です。
大きめのアーチハンドルは目視でも確認しやすく
誰にでも親しまれるユニバーサルデザイン。
操作性も柔らかくスムーズで快適な使用感を提供する
TOTOの浴室サーモスタット水栓です。
TMGG40QJのシャワー機能は?節水効果などのシャワーの特徴は?
シャワーヘッド: TOTO独自の技術 ワンダービートシャワー


ワンダービートシャワー以外にも通常のシャワーとの切替えが可能
TMGG40QJの類似品番は?上位モデルや別モデルの仕様は?
TMGG40QJは、大きなアーチハンドルが特徴なサーモスタット水栓です。
メッキ仕様のシャワーヘッドや、スタンダードモデルのエアインシャワーなど
シャワーヘッドの仕様により、TMGG40QJ以外にも
いくつかの種類のサーモスタット水栓があります。
TOTOサーモスタット混合水栓には、タッチスイッチや定量止水もある
TOTOのサーモスタット水栓には、TMGG40QJより機能を優先させた
押すだけで吐水ができるタッチスイッチタイプや、デザインを優先させた
ハイグレードモデルの水栓もあります。
浴槽に湯をためる際に好みの量だけ吐水、その後、自動で止水できる
定量止水モデルもあります。
【TMGG40QEWのライバルは?他社製のサーモスタット水栓も紹介】
※ INAX、KVKの両社ともに、TMGG40QEWのように大きなアーチハンドルを
有するモデルはありませんので、スタンダードモデルでシャワーヘッドの
仕様が似ているものを紹介します。
INAX BF-HB145TSD

BF-HB145TSDの購入方法と
現在の価格ランキングと最安値のチェックは、こちら
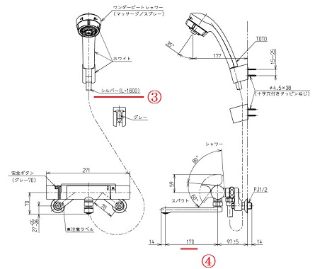
TKGG40QJの図面の見方・注意点は?その4箇所とは?
TKGG40QJを取り付けする際には、図面を見たうえで
サイズなどの注意点に気をつけて選ぶ必要があります。
ここでは、図面の見方と注意点4箇所をお教えします。
TKGG40QJ 図面の注目する箇所と正しい見方
TKGG40QJを取り付けする際に、下記の画像に記している
赤丸や赤のアンダーライン4箇所のサイズに注意する必要があります。
この4箇所の長さや幅などに注意して、現在設置されている
水栓と同様に、正しく取り付けできるか確認することが必要です。


図面の注意点4箇所と説明
1. 配管の間隔(ピッチ・芯々)
湯と水の配管の間隔(ピッチ・芯々)が200ミリ+25ミリから
200ミリ-95ミリまでの間で取り付けする必要があります。
2. 水栓本体側の湯・水のナットの間隔(ピッチ・芯々)
水栓本体側の湯・水のナットの間隔は90ミリとなります。
同じメーカーの水栓であれば、接続する袋ナットのネジ山が同じであれば
取り外した後に配管工事なしで取り付けることもできます。
3. シャワーホースの長さ 1600ミリ
シャワーホースの長さは、現在使用している水栓と
同じ長さのものを選ぶと良いです。
特に、シャワーハンガーを再利用する場合は
ホースの長さが同じ水栓にしないと、シャワーハンガーに
スムーズにシャワーヘッドをセットすることができなくなる場合があります。
4. 吐水パイプの長さ 170ミリ
現在、使っている水栓の吐水パイプの長さと大きな差がないことを
確認して、170ミリの吐水パイプの長さに過不足がないか確認する

















